Development
Sprache

Forschungsprojekt

9 kW bidirektionales DC-DC Modul

Projektziel

Entwicklung eines galvanisch getrennten, bidirektionalen 9 kW DC-DC Wandlers mit einer Eingangsspannung von 800 V und einer Ausgangsspannung von 0 V – 500 V bei sehr hoher Leistungsdichte.

Ausgangslage und Projektbeschreibung

Entwicklung einer neuen state of the art Plattform für eine Serie von Hochleistungsstromversorgungen. Der Umsetzungspartner REGATRON AG produziert und verkauft seit vielen Jahren erfolgreich Stromversorgungen vor allem für industrielle Anwendungen, was entsprechend hohe Anforderungen bedeutet. Um auch in Zukunft die Marktposition behaupten zu können soll im Rahmen dieses Projekts die eingesetzte Technologie erneuert und den künftigen Anforderungen angepasst werden.

Projektabschnitte

  • Topologie-Recherche durchführen und Lösungsvarianten ausarbeiten und bewerten.

  • Vertiefte analytische und simulative Beschreibung der favorisierten Lösungsansätze.

  • Ausarbeiten eines Hardware-Designs, das möglichst repräsentativ für die komplette Serie ist.

  • Hardware-Realisation und Aufbau bis zum Prototypstadium. Verifikation durch messtechnische Charakterisierung des Designs.

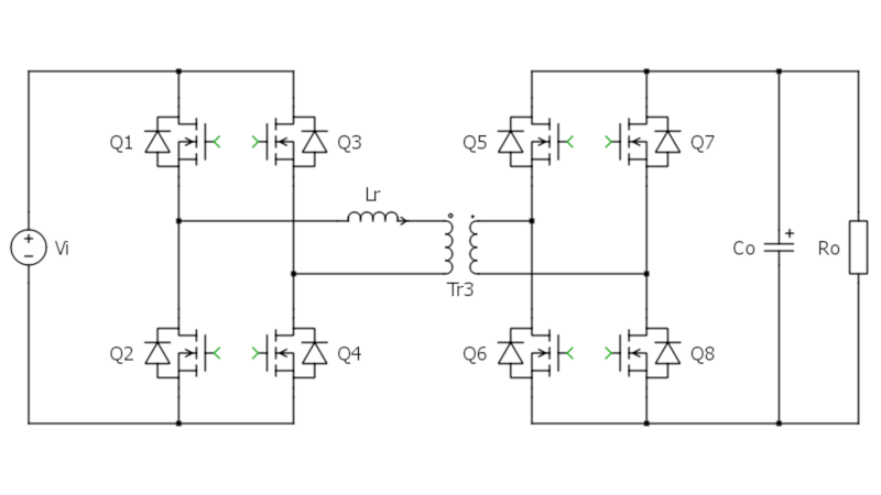
Die Aufgabe umfasst die Entwicklung eines isolierten DC-DC Wandlers mit einer Eingangsspannung von 800 V, einer variablen Ausgangsspannung von 0 V bis 500 V und Nennleistung von 9 kW bei sehr hoher Anforderungen an die Dynamik am Ausgang. Zusätzlich war eine sehr hohe Leistungsdichte gefordert, was den Einsatz von modernen Technologien erfordert.

In enger Zusammenarbeit mit dem Industriepartner wurden am NTB mehrere Design-Iterationen von der Auslegung bis hin zu einem lauffähigen Funktionsmuster durchgeführt.

Resultate

Am Ende des Projekts konnte der Partnerfirma ein lauffähiger Prototyp übergeben werden, welcher als Fundament für die weitere Entwicklung verwenden konnte.

Topologie des Konverters
Leistungsleiterplatte des Konverters

Laufzeit: 29.11.2016 - 30.11.2018

Projektfinanzierung:

Innosuisse

Kooperation:

Regatron AG, Rorschach