Forschungsprojekt
Bidirectionaler ACDC-Konverter für V2X-Anwendungen
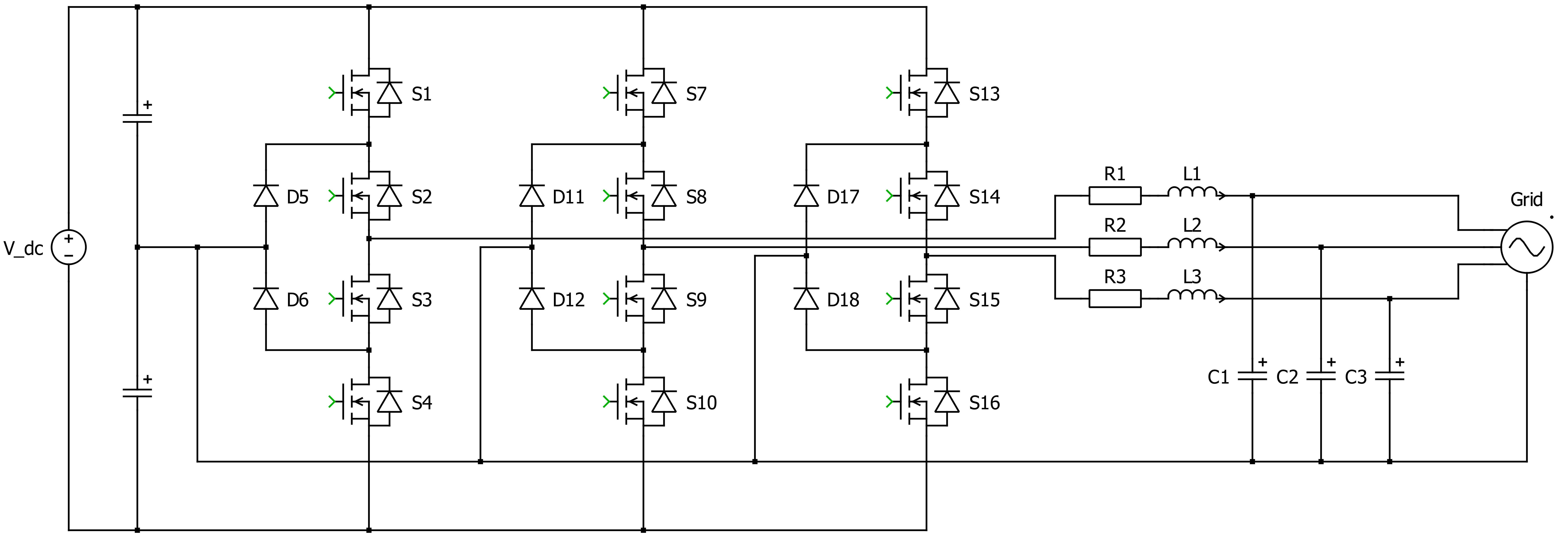
Im Rahmen einer Masterarbeit wurde ein bidirektionales On-Board-Ladegerät für Elektroautos entwickelt. Dabei wurden die Anforderungen an netzgebundene Konverter untersucht und mit den Ergebnissen von unterschiedlichen Reglerrealisierungen im 3-Level-Konverterprototyp verglichen. Der Konverter erreichte einen Wirkungsgrad von über 99 % und ermöglicht sowohl das Einspeisen in das Versorgungsnetz als auch einen eigenständigen Inselbetrieb.
Ausgangslage
Das Ziel der Masterarbeit ist die Entwicklung eines bidirektionalen On-Board Ladegerätes für Elektroautos. Ein bidirektionaler Energiefluss ermöglicht es, dass Elektroautos in der Zukunft für die lokale Netzstabilisierung oder zur Versorgung des Eigenheims genutzt werden können. Für die Energiewende muss erneuerbare Energie nicht nur erzeugt, sondern auch zwischengespeichert werden. Mit der Weiterentwicklung der Ladetechnologie von Elektroautos kann diese Speicherkapazität zur Bewältigung von Herausforderungen der Energiewende beitragen.
Die Anforderungen an einen AC-DC-Konverter für die Energieeinspeisung ins Versorgungsnetz soll detailliert untersucht werden. Was sind die Ziele und Normen, die erfüllt werden müssen? Weiter sollen Vor- und Nachteile von verschiedenen regelungstechnischen Möglichkeiten gegenübergestellt werden. Damit das theoretische Verhalten auch in der Realität überprüft werden kann, soll der Neutral-Point-Clamped (NPC) Konverter entwickelt und in Betrieb genommen werden.
Ergebnisse
Mit dem aufgebauten 3-Level-Konverterprototyp konnten zwei unterschiedliche Betriebsmodi getestet werden. Im Constant Power Modus konnte ein bidirektionaler Stromfluss zwischen dem Versorgungsnetz und dem AC-DC Konverter erreicht werden. Für die Ansteuerung der Halbleiter wurde eine spezielle 3D-Space-Vektor Modulation eingesetzt, die keine Offsetspannung am Sternpunkt aufweist. Dies ist für einen netzgekoppelten Konverter sehr wichtig, da der Sternpunkt direkt mit dem Neutralleiter des Netzes verbunden ist. Weiter konnte der NPC Konverter erfolgreich als Inselnetzwechselrichter betrieben werden. Der AC-DC Konverter kann somit auch ohne Stromnetz Geräte versorgen. Diese zusätzliche Funktionalität kann ohne grossen Mehraufwand in ein bidirektionales On-Board Ladegerät integriert werden.
Laufzeit: 19.09.2022 - 25.08.2023
Kooperation:
Brusa HyPower AG, Buchs






