Development
Sprache

Forschungsprojekt

DHWStrat – Schichtungseffizienz von Warmwasserspeicher

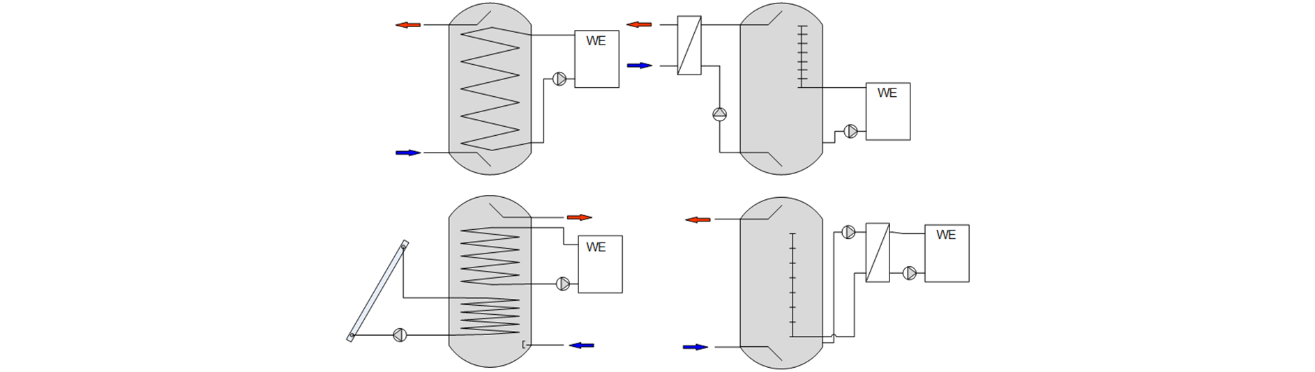
Die thermische Schichtung von Wärmespeichern hat eine grosse Auswirkung auf die Effizienz von Wärmesystemen. Dieser Zusammenhang wurde im Projekt StorEx für Kombispeicher nachgewiesen mit einem eigens dafür entwickelten Testverfahren, das auf dem zweiten Hauptsatz der Thermodynamik beruht. Dieses Verfahren hat sich mittlerweile etabliert, konnte aber bisher nicht auf Warmwasserspeicher angewendet werden. Deshalb wurde im Projekt DHWstrat das bestehende Verfahren auf reine Warmwasserspeicher erweitert und auf vier Speicher angewendet. Die Resultate zeigen, dass ein sehr gut schichtendes Speicherkonzept nicht nur einen höheren Komfort und bessere hygienische Voraussetzungen erreicht, sondern in Kombination mit einer Wärmepumpe gegenüber einem anderen Speicher bis zu 40 % elektrische Energie einspart. Diese Resultate unterstreichen die Notwendigkeit einer Bewertung der Schichtungseffizienz von Warmwasserspeichern.

Schlussbericht (PDF)

Laufzeit: 01.05.2020 - 31.12.2021